气象传感器-微型气象仪厂家价格型号 网站地图
气象传感器生产厂家

做微型气象仪,防爆气象传感器优良供应商

咨询热线:
13276363313
电话
土壤养分测定仪-恒美农业仪器
智慧路灯监测传感器

智慧路灯监测传感器

发布时间:2022-03-01 13:18:17

型号:TH-B6B

品牌:ITB8888通博

智慧路灯监测传感器是一种安装在路灯上的气象传感器,通过实时采集环境数据和气象数据,这些数据可以用于分析城市的气象环境质量等信息,并为城市规划和管理提供有力的依据。

产品描述

一、智慧路灯监测传感器产品简介

山东ITB8888通博环境科技有限公司作为专业研发生产销售微型气象仪的企业,一直致力于微型气象仪和气象环境解决方案推广应用。具有完整的生产链、实力雄厚的技术团队和全面的营销团队,我们研发生产的超声波风速风向仪、五要素微气象仪、六要素微气象仪和小型自动气象站等气象产品,已广泛应用到气象监测、城市环境监测、风力发电、航海船舶、航空机场、桥梁隧道等领域,客户遍布全国各地,并取得了良好的社会效益和经济效益。

与传统的微型气象仪相比,我司产品克服了对高精度计时器的需求,避免了因传感器启动延时、解调电路延时、温度变化而造成的测量不准问题。

TH-WQX6B型六要素微气象仪创新性地将空气温度、湿度、pm2.5、pm10、噪声、光照通过一个高集成度结构来实现,可实现户外气象参数24小时连续在线监测,通过数字量通讯接口将六项参数一次性输出给用户。


二、智慧路灯监测传感器产品特点

1、空气温度、湿度、pm2.5、pm10、噪声、光照六要素一体式

2、抗干扰能力强,具有看门狗电路,自动复位功能,保证系统稳定运行

3、高集成度,无移动部件,零磨损

4、免维护,无需现场校准

5、采用ASA工程塑料室外应用常年不变色

6、产品设计输出信号标配为RS485通讯接口(MODBUS协议);可选配232、USB、以太网接口,支持数据实时读取☆

7、可选配无线传输模块,最小传输间隔1分钟


三、智慧路灯监测传感器技术参数

1)空气温度:-40℃~85℃(±0.3℃);

2)空气湿度:0~100%RH(±2%RH);

3)PM2.5:0-1000ug/m3(±15%)

4)PM10:0-1000ug/m3(±15%)

5)噪声:30~120dB(±1.5dB)

6)光照:0-20W LUX(5%)


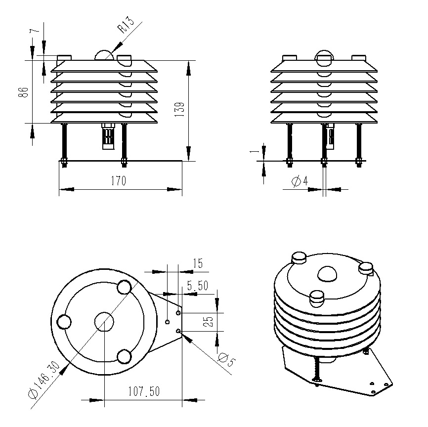
四、智慧路灯监测传感器产品尺寸图

 智慧路灯监测传感器产品尺寸图

五、智慧路灯监测传感器产品结构图

 智慧路灯监测传感器产品结构图


文章地址:http://www.hongxinzixun.com/zhldqxhj/300.html
返回
网站地图